PRODUCT CENTER
产品中心
-
气象环境监测
-
水文地质监测
-
水质污水监测
-
植保仪器设备
-
公路交通监测
-
光伏辐射监测
-
大气环保监测
-
生化病毒检测
推荐文章
联系我们
山东天仪环境科技有限公司
联系人:沈经理
联系电话:15866177297
公司地址:山东省潍坊市高新区光电路155号光电产业加速器(一期)
更新时间:2026-03-13
六要素传感器
【产品简介】一、六要素传感器产品简介山东天仪环境科技有限公司作为专业研发生产气象传感器的企业,一直致力于气象传感器和气象环境解决方案推广应用。具有完整的生产链、实力雄厚的技术团队和全面的营销团···
- 型号
- TY-B6
- 品牌
- 天仪
- 价格
- 电议优惠
- 产品简介
- 详情图片
- 相关产品
一、六要素传感器产品简介
山东天仪环境科技有限公司作为专业研发生产气象传感器的企业,一直致力于气象传感器和气象环境解决方案推广应用。具有完整的生产链、实力雄厚的技术团队和全面的营销团队,我们研发生产的传感器已广泛应用到智慧农业、气象监测、城市环境监测、风力发电、航海船舶、航空机场、桥梁隧道等领域,客户遍布全国各地,并取得了良好的社会效益和经济效益。
二、六要素传感器产品特点
1、抗干扰能力强,具有看门狗电路,自动复位功能,保证系统稳定运行
2、高集成度,无移动部件,零磨损
3、免维护,无需现场校准
4、采用ASA工程塑料室外应用常年不变色
5、产品设计输出信号标配为RS485通讯接口(MODBUS协议);可选配232、USB、以太网接口,支持数据实时读取☆
6、可选配无线传输模块,最小传输间隔1分钟
三、六要素传感器技术参数
1、空气温度:-40-60℃(±0.3℃);(北京市气象局校准证书)
2、空气湿度:0-100%RH(±3%RH);(北京市气象局校准证书)
3、大气压力:300-1100hpa(±0.25%);(北京市气象局校准证书)
4、PM2.5:0-1000ug/m3(±10%)
5、PM10:0-1000ug/m3(±10%)
6、噪声:30-120dB(±1.5dB)
7、功率:0.72W
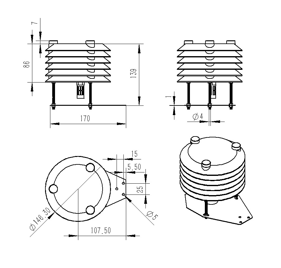
四、六要素传感器产品尺寸图

五、六要素传感器产品结构图

本文地址:https://www.sdtyhj.com/byxcgq/2551.html

















