产品中心
-
气象环境监测
-
水文地质监测
-
水质污水监测
-
植保仪器设备
-
公路交通监测
-
光伏辐射监测
-
大气环保监测
-
生化病毒检测
推荐文章
联系我们
山东天仪环境科技有限公司
联系人:沈经理
联系电话:15866177297
公司地址:山东省潍坊市高新区光电路155号光电产业加速器(一期)
移动式车载气象站
【产品简介】一、移动式车载气象站产品简介移动式车载气象站是一款高度集成、低功耗、可快速安装、便于移动监测的高精度自动气象观测设备。广泛运用于气象、农林、环保、海洋、机场、港口、科学考察、校园教···
- 型号
- TY-CZ5
- 品牌
- 天仪
- 价格
- 电议优惠
- 产品简介
- 详情图片
- 相关产品
一、移动式车载气象站产品简介
移动式车载气象站是一款高度集成、低功耗、可快速安装、便于移动监测的高精度自动气象观测设备。
广泛运用于气象、农林、环保、海洋、机场、港口、科学考察、校园教育等领域。
该设备采用五要素一体式传感器,可对风速、风向、空气温度、湿度、大气压力等气象要素进行实时观测,传感器外壳采用进口ABS材质,更有效对抗盐雾等环境,防护等级达到IP65以上。
标配485转USB线,可以连接笔记本或者pad直接读取数据。客户可根据自身情况,随机选配pad一台。
二、移动式车载气象站产品特点
1、顶盖隐藏式超声波探头,避免雨雪堆积的干扰,避免自然风遮挡
2、原理为发射连续变频超声波信号,通过测量相对相位来检测风速
3、设备底部配备高强度磁铁(橡胶包裹),可无损吸附于车顶
4、减震手提箱,方便携带
5、内置电子罗盘,自动找北
6、北斗与GPS双模定位,最高精度0.1米
三、移动式车载气象站技术参数
1、风速:超声波原理,0~60m/s(±0.1m/s),可测真实风速
2、风向:超声波原理,0~360°(±2°)
3、空气温度:测量原理二极管结电压法,-40-60℃(±0.3℃)
4、空气湿度:测量原理电容式,0-100%RH(±3%RH)
5、大气压力:测量原理压阻式,300-1100hpa(±0.25%)
6、数据存储:不少于50万条;
7、功耗:1.75W
8、锂电池:容量12000maH,续航时间≥50h
9、总重量:≤5kg;
10、布设时间:1人,不大于2分钟完成布设;
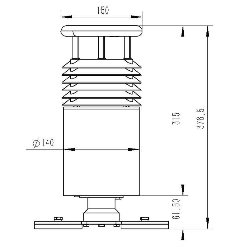
四、移动式车载气象站尺寸图


五、移动式车载气象站上位机软件介绍
1、PC单机版数据接收、存储、查看、分析软件
2、支持串口数据接收、处理、展示
3、支持json字符串、modbus485等通信方式
4、可自设置存储时间,modbus485采集模式下可自设置采集时间
5、支持自助增加、删除、修改监测参数的协议、名称、图标等
6、支持数据后处理功能
7、支持外置运行javascript脚本
本文地址:https://www.sdtyhj.com/czqxz/2617.html



























