产品中心
-
气象环境监测
-
水文地质监测
-
水质污水监测
-
植保仪器设备
-
公路交通监测
-
光伏辐射监测
-
大气环保监测
-
生化病毒检测
推荐文章
联系我们
山东天仪环境科技有限公司
联系人:沈经理
联系电话:15866177297
公司地址:山东省潍坊市高新区光电路155号光电产业加速器(一期)
金属款六要素气象传感器
【产品简介】一、金属款六要素气象传感器产品简介山东天仪环境科技有限公司作为专业研发生产销售微型气象仪的企业,一直致力于微型气象仪和气象环境解决方案推广应用。具有完整的生产链、实力雄厚的技术团队···
- 型号
- TY-Y6S
- 品牌
- 天仪
- 价格
- 电议优惠
- 产品简介
- 详情图片
- 相关产品
一、金属款六要素气象传感器产品简介
山东天仪环境科技有限公司作为专业研发生产销售微型气象仪的企业,一直致力于微型气象仪和气象环境解决方案推广应用。具有完整的生产链、实力雄厚的技术团队和全面的营销团队,我们研发生产的超声波风速风向仪、五要素微气象仪、六要素微气象仪和小型自动气象站等气象产品,已广泛应用到气象监测、城市环境监测、风力发电、航海船舶、航空机场、桥梁隧道等领域,客户遍布全国各地,并取得了良好的社会效益和经济效益。
TY-Y6S型六要素微气象仪原理为发射连续变频超声波信号,通过测量相对相位来检测风速风向。与传统的超声波风速风向仪相比,我司产品克服了对高精度计时器的需求,避免了因传感器启动延时、解调电路延时、温度变化而造成的测量不准问题。
TY-Y6S型六要素微气象仪创新性地将气象标准六参数(环境温度、相对湿度、风速、风向、大气压力、压电雨量)通过一个高集成度结构来实现,可实现户外气象参数24小时连续在线监测,通过数字量通讯接口将六项参数一次性输出给用户。
二、金属款六要素气象传感器产品特点
1、顶盖隐藏式超声波探头,避免雨雪堆积的干扰,避免自然风遮挡(实用新型专利,专利号ZL 2020 2 3215713.X)☆
2、原理为发射连续变频超声波信号,通过测量相对相位来检测风速风向(发明专利,专利号ZL 2021 1 0237536.5)☆
3、风速、风向、温度、湿度、大气压力、压电雨量六要素一体式(实用新型专利,专利号ZL 2020 2 3215649.5)☆
4、采用先进的传感技术,实时测量,无启动风速☆
5、抗干扰能力强,具有看门狗电路,自动复位功能,保证系统稳定运行
6、高集成度,无移动部件,零磨损
7、免维护,无需现场校准
8、采用不锈钢材质,强度高、抗氧化、抗腐蚀
9、产品设计输出信号标配为RS485通讯接口(MODBUS协议);可选配232、USB、以太网接口,支持数据实时读取☆
10、可选配外置无线传输模块,最小传输间隔1分钟
11、可选配内置加热模块:加热电流1A(DC12V),加热功耗12-15W
12、一体式设计磨损小、使用寿命长、响应速度快
三、金属款六要素气象传感器技术参数
1、风速:0~60m/s(±0.1m/s);(北京市气象校准证书)
2、风向:0~360°(±2°);(北京市气象校准证书)
3、空气温度:-40-60℃(±0.3℃);(北京市气象局校准证书)
4、空气湿度:0-100%RH(±3%RH);(北京市气象局校准证书)
5、大气压力:300-1100hpa(±0.25%);(北京市气象局校准证书)
6、压电雨量:0-4mm/min(±4%)
7、功率:1.08W
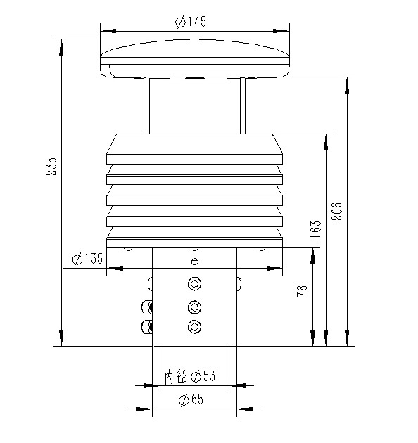
四、金属款六要素气象传感器产品尺寸图

五、金属款六要素气象传感器产品结构图

六、金属款六要素气象传感器注意事项
1.传感器水平周围1米半径无遮挡,避免水滴飞溅影响
2.传感器安装位置应避开强机械振动源
3.传感器安装上方应为开阔区域,雨滴应直接滴落至传感器,应免二次滴落和连续水流冲击
本文地址:https://www.sdtyhj.com/wxqxy/2545.html
- 上一篇:五要素微型气象仪
- 下一篇:没有了!



























